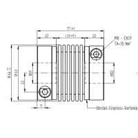
JAKOB 金屬波紋管聯軸器KM60:
Øa=66,c=22,f=M8,g=33,h=9,L=77,D1=28G6, D2=42H6;
技術指標:
標稱扭矩:60 Nm
最大扭矩120 Nm
扭轉剛度:8.7 Nm / arcmin
質量轉動慣量:0.29 10kgm²
最高 軸向軸未對準:±0.9毫米
最高 橫向軸偏移:0.3毫米
軸向彈簧剛度:49 N / mm
橫向彈簧剛度:260 N / mm
工作溫度范圍:-40°至+ 200°C
允許的運行速度:最大 14,000轉
D1 / 2分鐘/最大=Ø13/Ø35mm
重量:約0.5公斤
材質設計:
波紋管:不銹鋼1.4571
花鼓:高強度鋁
夾緊螺絲:ISO 4762-FKL 12.9
壓線:黃銅
貨號:MB - 064 07711
JAKOB 金屬波紋管聯軸器KM系列
特點:
•易于夾緊的輪轂,易于兩側安裝
•6波紋波紋管-經濟高效的標準系列
•扭矩范圍:20-1,300 Nm
•軸直徑:8-85 mm

JAKOB 金屬波紋管聯軸器KM其他型號
JAKOB 金屬波紋管聯軸器KM20:
Øa=56,c=19,f=M6,g=30,h=8,L=70,D1=30G6, D2=35H6;
技術指標:
標稱扭矩:20 Nm
最大扭矩:40 Nm
扭轉剛度:5.2 Nm / arcmin
質量轉動慣量:0.17 10kgm²
最高 軸向軸未對準:±0.8毫米
最高 側向軸偏移:0.25毫米
軸向彈簧剛度:51 N / mm
橫向彈簧剛度:190 N / mm
工作溫度范圍:-40°至+ 200°C
允許的運行速度:最大 14,000轉
D1 / 2分鐘/最大=Ø8/Ø32毫米
質量:約0.37公斤
材質設計:
波紋管:不銹鋼1.4571
花鼓:高強度鋁
夾緊螺絲:ISO 4762-FKL 12.9
壓線:黃銅
貨號MB - 064 07709
JAKOB 金屬波紋管聯軸器KM80:
Øa=82,c=28,5,f=M10,g=38,h=11,5,L=90,D1=30G6, D2=42H6;
技術指標:
公稱轉矩:80 Nm
最大扭矩:160 Nm
扭轉剛度:14 Nm / arcmin
質量轉動慣量:0.79 10kgm²
最高 軸向軸未對準:±1毫米
最高 橫向軸偏移:0.3毫米
軸向彈簧剛度:45 N / mm
橫向彈簧剛度:280 N / mm
工作溫度范圍:-40°至+ 200°C
允許的運行速度:最大 11,000轉
D1 / 2分鐘/最大=Ø16/Ø43mm
重量:約0.8公斤
材質設計:
波紋管:不銹鋼1.4571
花鼓:高強度鋁
夾緊螺絲:ISO 4762-FKL 12.9
壓線:黃銅
貨號:MB - 064 07712
以上就是JAKOB 金屬波紋管聯軸器KM60技術指標和材質特點的介紹。