產品介紹
flovex 固定直管板式換熱器 AEM 或 BEM 系列
產品介紹
標準交換器,特別適用于中等壓力范圍的重載。該組合物可以用不同的材料選擇制成,各種組合使這種類型的交換器具有足夠的通用性,足以解決流體、流動的任何問題,即使是高負荷等級。冷卻面積從 0.3 到 30 平方米。對于每個標準型號,我們提供了兩種類型,“A”表示低流量,“B”表示高流量。
特征
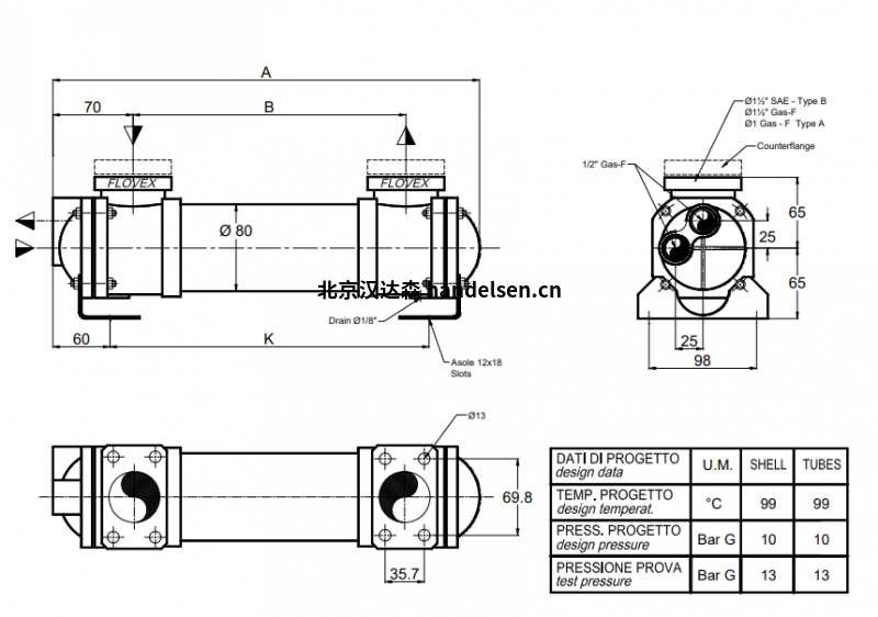
管束
通常我們使用效率極高的直整體翅片“鈍化”銅管。管子卷成管板,即使在振動下也能提供最堅固的結構。擋板由鋼板沖壓而成,帶有支撐唇,可提高熱效率并在振動時更加安全。
殼管板
焊接碳鋼結構,為最堅固的交換器提供適當的厚度,以延長使用壽命。除了標準的威脅連接,我們還建議使用法蘭(UNI、DIN、SAE、ANSI……)來滿足客戶要求的殼側連接。
蓋子
帶有鑄鐵蓋的標準交換器,有 4 或 2 通道版本。
材料選擇
我們使用的標準碳鋼/銅組合:鋁黃銅、不銹鋼、碳鋼、銅/鎳合金作為管材,而使用不銹鋼的管殼和管板將解決所有可能的問題。EL 版本只有不銹鋼管板;EX 版完全采用不銹鋼材質。有關管型和材料的完整選擇范圍,請參見產品代碼組成表。

常用型號
flovex EM 3012
flovex EM 3020
flovex EM 3030
flovex EM 3040
flovex EM 4012
flovex EM 4020
flovex EM 4030
flovex EM 4040
flovex EM 5012
flovex EM 5020
flovex EM 5030
flovex EM 5040
flovex EM 6020
flovex EM 6030
flovex EM 6040
flovex EM 6050
flovex EM 8030
flovex EM 8040
flovex EM 8050
flovex EM 8060
flovex EM A040
flovex EM A060
flovex EM A080
flovex EM A100
flovex EM B040
flovex EM B060
flovex EM B080
flovex EM B100
flovex EM C040
flovex EM C060
flovex EM C080
flovex EM C100
flovex EM D040
flovex EM D060
flovex EM D080
flovex EM D100
flovex EM E040
flovex EM E060
flovex EM E080
flovex EM E100
flovex BP 3012
flovex BP 3020
flovex BP 3030
flovex BP 3040
flovex BP 5012
flovex BP 5020
flovex BP 5030
flovex BP 5040