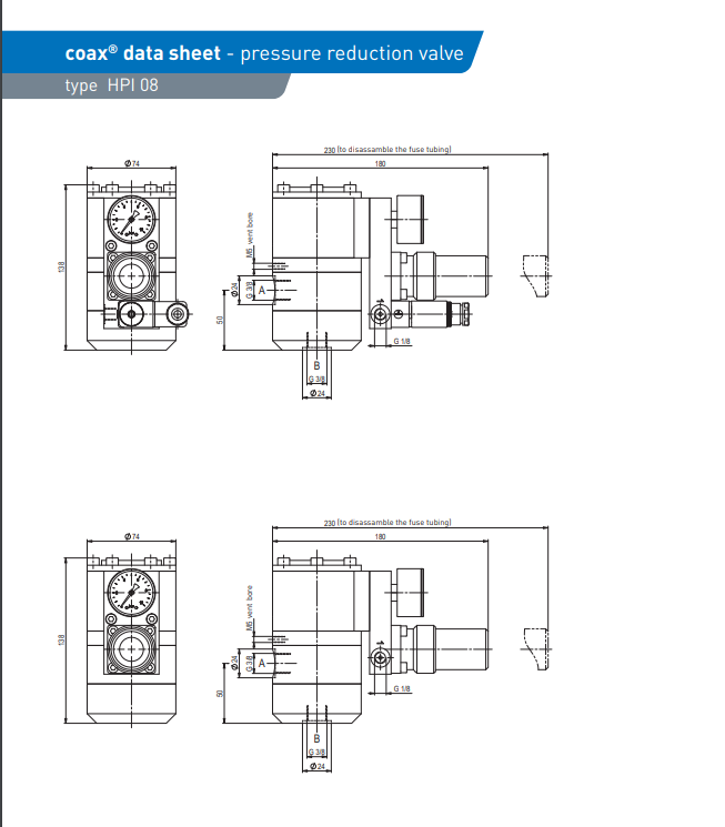
德國CO-AX 三通閥SPP-1 15 DR
工廠簡介:
德國COAX公司成立于1960年,以生產同軸閥著稱,憑借豐富的經驗,可靠而經過嚴格測試的材質,過硬的質量管理,COAX的閥廣泛適用于真空、氣態、液態、膠狀、磨粒、污染性以及侵蝕性等各種介質。與常規閥相比,COAX同軸閥能夠以高流量來控制高壓介質,有兩位兩通和三位兩通可選,連接方式允許螺紋連接可通過直動式螺線管和外部直接控制。、
產品參數:
端口 螺紋 G 3/4
壓力調節范圍: SPP-1 5-40 bar, SPP-2 5-100 bar
操作時間 < 200 ms
介質 氣態 液態
介質溫度 0 °C — +60 °C
環境溫度 0 °C — +50 °C
絕緣等級 H 180 °C
防護等級 IP65
負載率 ED 100%
連接 7孔插頭 / 電線直徑 6-8mm
重量:7,5kg
通過 3/2 通比例閥控制
執行器端口 1 G 1/8
控制信號 UE 0-10 V (RE 100 KΩ)

德國CO-AX 三通閥SPP-1 15 DR