| 品牌Baumer | 有效期至長期有效 | 最后更新2023-06-07 16:14 |
| 瀏覽次數10 |
適用于有限的安裝空間
適用于惡劣的工業環境
帶插頭連接的無源傳感器
2、Baumer微型應變傳感器DST20 DST20-A102P參數
貨號: 11231318
適用于惡劣工業應用的小型應變傳感器
測量范圍 ± 1000 μm/m
小尺寸 28x12x10 mm
傳感器由不銹鋼制成,防護等級IP65
用于靜態和動態測量
輸出信號 1.0 mV/V
連接器 M5,4 針,公頭
3、一般數據
標稱應變0 ...1000微米/米
非線性< 0.5 %
重復性< 0.1 %
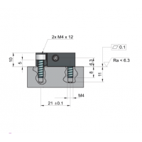
機械安裝2 x M4 螺釘
尺寸12 毫米 x 10 毫米 x 28 毫米

4、機械數據
疲勞強度滿量程 10...0% 時>100 Mio 循環
傳感器剛度130 N @ 1000 μm/m
重量13 克
材料傳感器主體 不銹鋼, 1.4542
材料外殼 不銹鋼, 1.4301
補償熱膨脹系數 10.9 * 10-61/K
電氣連接 M5,4 針,公頭
環境條件工作溫度范圍-40 ...85 °C
存儲溫度范圍-40 ...85 °C
防護等級 EN 60529, ISO20653IP 65
振動 IEC 60068-2-610 ...57 赫茲: 1.5 毫米 p-p, 58 ...2000 赫茲: 10 克
隨機 IEC 60068-2-6420 ...1000 赫茲:0.1 克²/赫茲
沖擊 IEC 60068-2-27 50 克/11 毫秒,100 克/6 毫秒
5、電氣數據
輸出信號 毫伏/伏
信號極性正 張力
標稱靈敏度 1.0 毫伏/伏
橋電阻 350 Ω
電源電壓 0.5 伏直流...7 伏直流
合規性和批準 UL 認證 E217824
| 盧歡歡 QQ:1569261908 手機:18510339394 電話:010-64714988-177 傳真:010-84786709-667 郵件:sales23@handelsen.cn |
![]() |
![]() |
工作日
9:00-18:00