| 品牌bolondi | 有效期至長期有效 | 最后更新2023-12-15 10:13 |
| 瀏覽次數5 |
公司介紹
Bolondi Cleaning Heads s.n.c. di Manfredi Dante e Fabrizio 一直以來都在發展,這要歸功于其生產優化過程。
在清洗頭生產領域的大量創新
洗頭生產領域的技術創新。
低壓和高壓產品系列齊全,能夠滿足以下需求
從小型容器到大型環境,都是消毒和清潔的理想選擇。特別關注
還特別注重與機器和工業設備的集成,尤其是在食品、制藥、化工、釀酒、運輸、衛生和環境等領域。
特別是在食品、制藥、化工、釀酒、運輸、衛生和建筑領域,使用兼容材料,滿足各種用途。
每項設計在投放市場之前,都要經過長期檢查和測試,以確保所有部件都經過驗證。
博隆迪公司的所有部件都經過長期檢查和測試,以確保旋轉頭的可靠性和使用壽命。
Bolondi Cleaning Heads s.n.c. di Manfredi Dante e Fabrizio 的產品符合 ISO 9001
2015-PED指令和ATEX指令。
介紹:
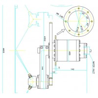
1.自旋轉清洗頭,無需任何潤滑劑 材料:Aisi 316 壓力:最大 500 巴 流量:最大 100 升/分鐘 旋轉速度:慢速 過濾器:是 進水口:軸向 噴嘴:2-4 應用:IBC - 料倉 - 儲罐的體積清洗
2.自轉式清洗頭,無需任何潤滑劑 材料:Aisi 316 壓力:最大 500 巴 流量:最大 100 升/分鐘 轉速:慢速 過濾器:有 進水口:軸向 最小通過孔徑:120 毫米 噴嘴:2-4 應用:對 IBC - 料倉 - 儲罐進行定量清洗
3.自旋轉清洗頭,無需任何潤滑劑 材料:Aisi 316 壓力:最大 500 巴 流量:最大 60 升/分鐘 旋轉速度:慢速 過濾器:是 進水口:軸向 噴嘴:2-4 個,可根據要求提供噴臂和曲線 應用:表面清洗 - 管線
4.不帶任何潤滑劑的水馬達頭,適用于清潔轉鼓上部 Aquamotor 材質:Aisi 316 壓力:最大 200 bar 流量:最大 60lt/min 噴嘴:2 或 4 個密封圈: 過濾器:700 微米
型號:
1.MW440A
2.MW510A
3.PW 586A
4.PW086A

| 王鈳深 QQ:2455880176 手機:18510519230 電話:010-64714988-191 傳真:010-84786709-667 郵件:2455880176@qq.com |
![]() | ![]() |
工作日
9:00-18:00