| 品牌Bolondi | 有效期至長期有效 | 最后更新2024-02-20 10:48 |
| 瀏覽次數56 |
特殊版本
Officina Meccanica Bolondi 公司在生產自動清洗頭和隱藏式清洗系統方面擁有 30 多年的經驗,并得到了客戶越來越多的積極反饋,在為低壓和高壓應用提供各種清洗解決方案方面,Officina Meccanica Bolondi 公司是一個有效的參考點和合作伙伴,并以客戶滿意度為中心。
Officina Meccanica Bolondi 將利潤的重要部分投入研發,以便在定制清洗系統的生產中提供日益先進的解決方案,從而獲得顯著的優勢,例如:更好的清洗效果、縮短清洗時間、減少用水量、減少化學品的使用以及減少勞動力。
為了方便洗滌過程的驗證,Officina Meccanica Bolondi 能夠提供以下證書: Atex "0" 區、材料證書 3.1、Rhos-PED、FDA。
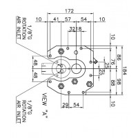
TA0800
該裝置可使 XC0601 清洗頭自動移動到待洗容器內的各個清洗位置。用于與容器連接的法蘭可以是 3" 或 4" 三角形,也可根據要求設計成特殊形狀。清洗頭桿的滑動襯套可以是標準的固定式,也可以是氣動控制的密封式。滑動運動是通過一個不可逆的螺旋系統實現的,該系統可確保保持預定的清洗位置。螺桿系統由可逆氣動馬達驅動。最大移動行程取決于根據應用要求和待洗容器大小確定的設備尺寸。可通過易于調節的感應傳感器預先設定各種中間位置。所用材料為 AISI 316 不銹鋼和 PEEK 塑料,因此該設備適用于化學、制藥和食品應用。該設備可在無潤滑油或潤滑脂的情況下運行,并可根據要求通過 ATEX 認證。在維護時,XC0601 清洗頭可以輕松拆卸,無需將設備從外殼中取出。
XB523PPD
高壓、大流量清洗頭(500bar - 200lt/min)
XC031_180°FR-AAM
自轉、無油、無脂流量優先噴嘴 材料:Aisi 316 流量:最大 60lt/min 壓力:最大 150 bar 轉速:快速 過濾:是 出口:同軸 噴嘴:2-4 應用:180° 扇形清洗
創新
Bolondi Cleaning Heads s.n.c. di Manfredi Dante e Fabrizio 在清洗頭生產領域進行了大量技術創新。
質量
通過持續的生產優化過程,并在主要客戶認真、及時的反饋支持下,保證了產品的質量。
產品種類
低壓和高壓清洗頭和噴嘴種類齊全,可滿足所有公司的消毒和清潔需求。
可靠性
每個部件都經過特殊處理,設計新穎,可以生產出技術先進的真正珠寶。

| 王鈳深 QQ:2455880176 手機:18510519230 電話:010-64714988-191 傳真:010-84786709-667 郵件:2455880176@qq.com |
![]() | ![]() |
工作日
9:00-18:00