德國Warex 蝶閥 DKD 110 閥門于散裝物料
在工業流體控制的宏大舞臺上,每一次技術革新都可能重塑行業格局。德國 Warex Valve 作為閥門制造領域的代表,以其深厚的技術底蘊和不斷進取的創新精神,推出了一款足以震撼市場的力作 ——Warex 蝶閥 DKD 110。它集先進設計、性能與廣泛適用性于一身,正迅速成為眾多工業企業的信賴之選,著流體控制的新潮流。
陳世佳
QQ:2850590597
手機:13552865878
電話:010-64717020-118
傳真:010-84786709-666
郵件: |
 |
 |
一、創新設計,鑄就非凡性能
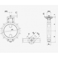
(一)結構,高效運行
Warex 蝶閥 DKD 110 采用了精妙的結構設計,其閥桿與蝶板的連接方式經過精心優化,確保在閥門開啟和關閉過程中,蝶板能夠平穩、迅速地旋轉,有效減少了操作扭矩,使得閥門的響應速度大幅提升。這種設計不僅提高了工作效率,還降低了能源消耗,為企業節約了運營成本。在大型化工生產裝置中,頻繁的流量調節操作對閥門的響應速度要求高,DKD 110 蝶閥憑借其快速的開關特性,能夠精準地根據生產工藝的需求,在瞬間實現流量的調整,保障了生產過程的連續性和穩定性。
(二)密封,杜絕泄漏隱患
密封性能是蝶閥的核心性能指標之一,而 Warex 蝶閥 DKD 110 在這方面表現得極為出色。它配備了先進的密封系統,采用金屬對金屬密封的方式,在關閉狀態下,能夠實現緊密的密封效果,通道內無壓力密封,泄漏率低至 1 - 2% 面積當量。這種密封性能,使其能夠在各種復雜的工況下,有效防止介質泄漏,無論是輸送強腐蝕性的化學品,還是易燃易爆的氣體,DKD 110 蝶閥都能確保安全可靠,為工業生產的安全運行提供了堅實保障。在石油化工行業,輸送的介質往往具有高的危險性,一旦發生泄漏,可能引發嚴重的安全事故,DKD 110 蝶閥的零泄漏密封特性,為企業消除了這一潛在的重大安全隱患。
二、優質材質,保障長期穩定
(一)堅固閥體,抗壓抗蝕
Warex 蝶閥 DKD 110 的閥體采用高品質的硅制成,這種材料具有出色的抗壓和抗腐蝕性能。在面對高壓、高流速的介質沖擊時,閥體能夠保持穩定的結構,不會發生變形或破裂。同時,對于具有腐蝕性的介質,硅材質的閥體也能有效抵御侵蝕,延長閥門的使用壽命。在污水處理廠中,污水中含有大量的雜質和腐蝕性物質,DKD 110 蝶閥的硅質閥體能夠在這樣惡劣的環境中長時間穩定運行,減少了閥門的維護和更換頻率,降低了企業的運營成本。
(二)耐用閥瓣與軸,穩定可靠
閥瓣作為直接與介質接觸并控制流量的關鍵部件,其質量至關重要。Warex 蝶閥 DKD 110 的閥瓣由不銹鋼 1.4408 制成,并經過精細的拋光處理,表面粗糙度 Ra < 0.3µ。這種材質和處理工藝使得閥瓣不僅具有良好的耐腐蝕性,還能在頻繁的開合過程中保持光滑,減少了介質對閥瓣的磨損,確保了閥門的長期穩定運行。軸作為驅動蝶板旋轉的部件,采用 1.4057 不銹鋼或更高質量的不銹鋼制成,具有優異的強度和耐腐蝕性。軸軸承裝在黃銅襯套中,進一步提高了軸的轉動靈活性和耐用性。在食品制藥行業,對閥門的衛生性和穩定性要求高,DKD 110 蝶閥的優質閥瓣和軸能夠滿足這些嚴格的要求,確保在生產過程中不會對產品造成任何污染,保障了產品的質量安全。
德國Warex 蝶閥 DKD 110 閥門于散裝物料